
本文讲述了采购系统原来是这样子的?采购系统流程有哪些?首先我们先来了解下什么是采购,采购是指企业在一定的条件下从供应市场获取产品或服务作为企业资源,以保证企业生产及经营活动正常开展的一项企业经营活动。是指个人或单位在一定的条件下从供应市场获取产品或服务作为自己的资源,为满足自身需要或保证生产、经营活动正常开展的一项经营活动。作为物流的起点,采购涵盖了从供应商到需求方的货物、技术、信息或服务流动的全过程。企业通过实施有效的计划、组织与控制等采购管理活动,合理选择采购方式、品种、批量、频率等,以有限
本文讲述了采购系统原来是这样子的?采购系统流程有哪些?
首先我们先来了解下什么是采购,采购是指企业在一定的条件下从供应市场获取产品或服务作为企业资源,以保证企业生产及经营活动正常开展的一项企业经营活动。是指个人或单位在一定的条件下从供应市场获取产品或服务作为自己的资源,为满足自身需要或保证生产、经营活动正常开展的一项经营活动。
作为物流的起点,采购涵盖了从供应商到需求方的货物、技术、信息或服务流动的全过程。企业通过实施有效的计划、组织与控制等采购管理活动,合理选择采购方式、品种、批量、频率等,以有限的资金保证企业的正常运转,在降低企业成本、加速资金周转率等,都起到至关重要的作用。
一、采购的意义
采购部门不是成本中心,而是企业的利润中心之一。采购作为企业的生命源泉,有效降低采购成本才能将利润最大化。采购成本是企业成本控制中的主体和核心部分。采购成本直接影响着产品的定价和企业的利润,合理的采购有利于提高企业在市场上的竞争力、降低经营风险。合理采购,可提高资金的使用率、库存的周转率,减少资金挤压、降低库存成本。
二、什么是采购管理系统
上面了解了什么是采购以及采购的意义,接下来我们一起来了解在电商系统中什么是采购管理系统。
采购管理系统是通过采购申请、采购订货、进料检验、仓库收料、采购退货、购货发票处理、供应商管理、价格及供货信息管理、订单管理,以及质量检验管理等功能综合运用的管理系统,对采购物流和资金流的全部过程进行有效的双向控制和跟踪,实现完善的企业物资供应信息管理。
采购系统主要服务于公司内部采购部门,向供应商采购商品来增加商品库存量,并满足库存周转、商品销售等需求。
采购系统的功能主要包括采购商品管理、采购单管理、采购建议、采购维价、供应商管理、退供应商等,核心在于采购单的生命周期管理和维护,而难点在于供应商的管理,包括供应商的资质、供应商的评级、供应商所营商品等。
若想在最短时间内采购到价格最低、质量最好的商品,背后必须有一套完善的供应商管理体系,故笔者会将供应商管理单独拉出来写一篇文章进行详细讲解。
三、采购系统产品架构
为方便大家对采购系统整体的认识和了解,笔者整理了一张采购系统的产品架构图,仅供参考。

采购产品架构图
四、采购流程
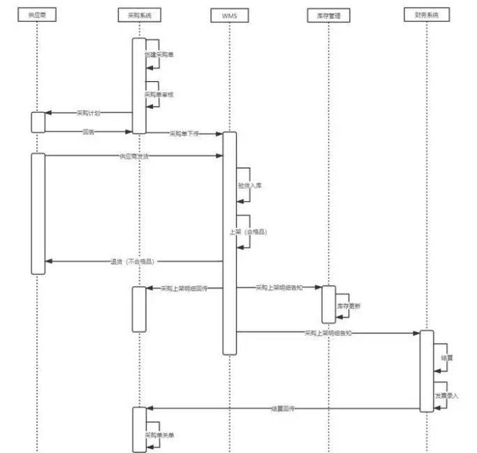
采购部门的采购人员的日常工作流程大致为:接收采购计划-询比议价-决定-下采购单-审核-跟催-收货-付款-退货。
在整个采购过程中,采购管理系统会与仓储系统、财务系统、库存管理等系统之间产生信息交互。
流程图如下,仅供参考:

采购时序图
采购流程中涉及到的几个关键节点需要重点说明一下:
创建采购单:创建采购时往往涉及到系统的一系列校验,例如:在商品管理系统中校验采购商品的SKU,在供应商系统中检验供应商的资质、价格等,在仓储管理系统中校验库房等信息。
创建采购的方式一般有两种。手动创建采购单:根据业务需求由采购部门手动创建采购单。自动补货建议:由库存系统发出的库存预警,依据库存控制策略自动生成的采购单。
采购单拆单:采购单创建成功一般会涉及到拆单逻辑,一般会按供应商、仓库、配送中心等进行拆单,拆单后父订单与子订单关联。
采购单审核:不论是手动创建采购单还是系统自动生成采购单,在创建采购单时,为减少审核的工作量,可设置相应的阈值(指最小采购量),阈值可由采购部门自行设定。当商品采购量小于设定的阈值时,系统默认自动审核通过,审核通过后进入采购单的流转过程。
采购维价:若首次采购,或者当前采购价高于历史采购价时,需要提交领导审批,审批通过后对系统中最高采购价更新维护。
供应商回告:回告的目的是能让采购人员及时知晓供应商的供货情况,包括可供货量、价格等。回告方式一般有两种,一种是系统回告,另一种是线下回告。
供应商发货:供应商开始发货到实际到货中间会有几天的间隔时间,这段时间的货物在库存管理系统中称为“在途库存”,一般3天左右到货的库存会被计算到可销售可库存中;另外采购量大或者被拆单的采购订单,会涉及到分批到货的情况。
验货入库:采购商品到货后,由wms系统进行验收入库,合格品上架入口、不合格品退供应商。验货入库后,wms系统告知采购系统、库存系统、财务系统,采购系统采购单状态更新、库存系统库存数量更新、财务系统结算。
退供应商:按照与供应商的合同协议,将不合格品、滞销品商品或临近过期品退还给供应商。
供应商结算:财务通过供应商提供的发票、实际入库情况和退货情况与供应商进行结算,结算完毕后整个流程才算结算。
采购关单:采购关单是采购流程中最后一个节点,是针对采购单上的采购商品后续无再进货入库,对采购单进行完结的处理。
采购关单一般分为一下两种情况:
系统自动关单:WMS系统中与采购单关联的入库单商品量+退货量=采购单商品量,系统可自动触发关单处理。强制关单:一般针对采购单上的采购商品长期未入库完结的情况(例如供应商一直不发货或者缺货),采购人员可根据实际的业务场景进行强制关单的操作。需要注意的是,关单时需要与告知WMS系统,若库房正在对此采购单进行入库作业,不允许关单;一旦关单成功,不允许库房对此采购单再进行入库。
五、采购商品管理
采购商品管理的作用主要是为采购提供数据支持。基础数据来源于商品管理,采购价格来源于供应商管理,库存信息来源于库存管理。
采购商品主要通过SKU与外围系统进行关联与管理,外围系统也是通过采购商品的SKU进行关联,产生信息的交互。例如供应商管理中的供应商及采购价格、库存管理系统的库存量、财务管理系统的结算价格、商品管理系统中的商品基础信息等。
如下图:

SKU关联
六、采购单管理
采购单主要对应供应商的订单和仓库的入库单。
采购单管理主要是对采购订单生命周期的管理,包括采购单的创建、采购单全流程的管理与监控、以及采购完成后的关单处理。
采购单管理
采购单的管理从表面上看无非就是对采购单的“增、改、查”,而它涉及到多个系统之间的相互配合,才能完成整个采购单的闭环,故难点在于与多个外围系统之间的信息交互。
采购单的主要信息包括但不限于,采购商品、采购单价、采购数量、仓库、供应商、预计到货时间、结算方式、发票类型、合同附件等。
采购单的状态一般包括:编辑中、待审核、审核中、审核通过、已完成。创建采购单时,选择需要采购的商品和入库仓库,再选择相应的供应商,其中采购的商品价格、结算方式、发票类型、付款方式等信息在供应商管理系统中维护。
这个过程可以理解为用户在淘宝商城购买商品,将多家店铺的商品加入购物车,一起支付下单的过程。下单后会涉及到拆单的逻辑,将父订单拆成若干个子订单,后续的状态的跟踪体现在子订单上,所有子订单完成父订单才能完成。
七、采购建议
采购建议主要是来自库存管理系统并结合采购系统中的供应商评分体系综合得出,库存管理系统会依据库存控制策略(包括安全库存、订货点、订货量、近期库存动销率等综合因素),为采购系统提供采购建议。库存系统中的详细的逻辑笔者在此不再做详细的阐述,再介绍库存系统时会详细说明。
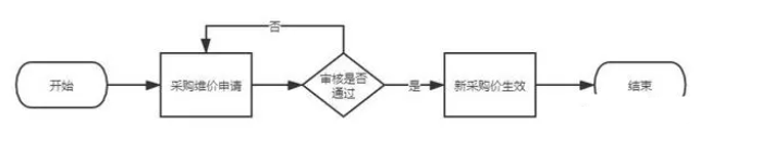
八、采购维价
采购维价是指在采购商品,采购价格发生变动时(新价格超出原价格区间),需要在采购系统中更新价格的维护。
采购维价主要涉及一下几种场景:
采购新商品:采购新的商品时,对于系统来说无相关商品价格信息,所以需要首次维护新采购商品的价格信息。供应商价格变动:由于市场变动等因素导致供应商的价格变动超出原采购价格的区间范围,需要价格更新维护。采购价格维护错误:由于采购员价格录入错误导致,需要重新修改价格。采购维价时需要提交申请,由上级领导审核通过后方可生效。一般低于原采购价不用审批。

采购维价
九、退供应商
退供应商是指将商品退货给供应商,退供应商的产品价值在于退货全流程的管理和监控(退货单的生命周期管理)。
退供应商一般涉及的业务场景有:
残次品(不合格品);滞销商品;临近过期商品;商品清场(与供应商不再合作)等。退供应商流程如下:

退供应商
1. 退货单据类型
在不同的退货场景中,会涉及不同的退货单类型,残次品退货单、临期退货单、普通退货单等。
残次品退货单是指商品受损不能正常销售需要退给供应商的退货单;临期退货单是指商品即将到期或已经到期,需要将商品退给供应商以降低公司损失的退货单;普通退货单一般是将滞销商品或者清场商品退给供应商的退货单。
2. 创建退货单
创建退货单的方式一般有两种。
手动创建退货单:残次品退货单和普通退货单由采购人员手动创建,并提交审核,审核通过后告知WMS系统进入退货流程。系统自动创建退货单:根据商品的过期日期,系统会自动生成即将过期商品的退货单,将商品退给供应商。同样也是审核通过后告知WMS系统进行退货。另外还有一种特殊的场景“虚入虚出”,是指“虚拟入库、虚拟退货”。
例如采购单创建错误、入错库房、出入库数量仓管人员录入错误等,具体的系统逻辑涉及到wms系统和库存管理系统,后面笔者分享wms系统和库存系统时会详细介绍。
3. 退货单审核
退货单的商品退货价格一般按照合同协议价、采购价、退货时的市场价等进行退货。创建好退货单之后,由采购部领导进行审核,审核人可进行驳回或通过的操作,审核通过后,指令下达至WMS系统,WMS系统自动创建退货单,然后打包发货。
若业务发展相对成熟,为减少审核人员的工作量,可根据退货供应商、退货商品、退货量、退货价格等,可设置免审规则机制。例如非特殊商品、小于一定的退货量、退货价格与采购价格的差值小于某一范围等,可以自动审核通过。
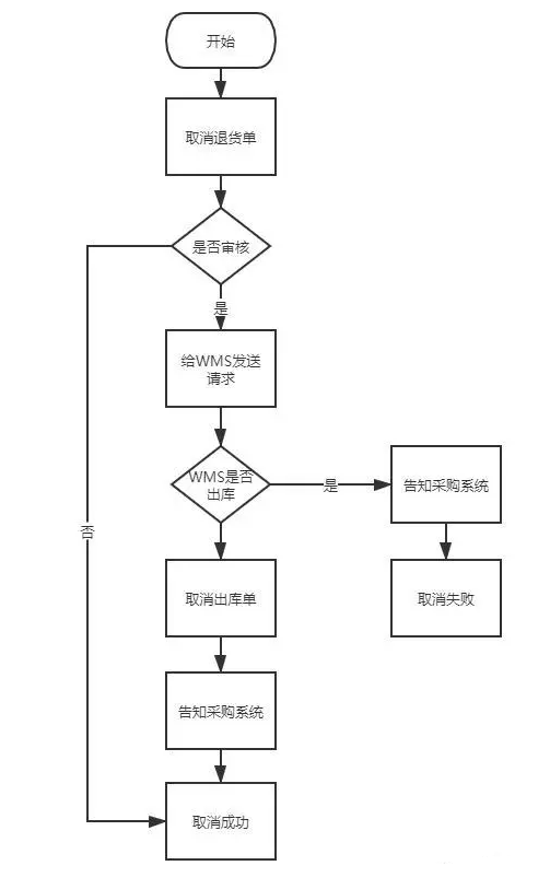
4. 退货单取消
采购人员可以对创建好的采购单做取消的操作,取消时系统会做一系列的校验。不同的节点检验的逻辑不同,具体流程如下图:

取消退货单
十、小结
采购属于供应链链条中非常重要的环节,不仅是质量的第一关、也是成本的第一关,若第一关把控不好的话,最终对用户、企业都会产生非常大的影响。良好的采购管理能有效的降低企业成本、减少库存、增强市场竞争力。
总而言之,企业如果想降低采购成本,增加企业利润,应该做好扎实的采购策略与方法。

采购是企业运营中不可或缺的一环,它涉及到企业的资金、供应链和质量等多个方面。采购系统的建立可以有效地帮助企业管理采购流程,提高采购效率和降低采购成本。下面是采购系统的一般流程:
1. 需求确认
当企业需要采购物品时,首先需要进行需求确认。需求确认的目的是明确采购物品的种类、数量、质量标准和交货期限等要素。需求确认可以通过内部部门之间的沟通,或者采用采购系统内的申请表单来实现。
2. 供应商选择
一旦需求确认完成,企业就需要寻找合适的供应商。供应商的选择需要考虑多个因素,例如价格、质量、交货期限和供应商的信用等。企业可以通过采购系统内的供应商数据库来进行供应商的筛选和比较。
3. 报价和议价
当企业确定了合适的供应商之后,就需要向供应商询价。询价可以通过采购系统内的询价功能,或者通过电子邮件、传真等方式来实现。询价后,企业需要评估供应商的报价,并进行议价,以达成最终的采购价格。
4. 采购订单
当企业和供应商达成一致后,就需要生成采购订单。采购订单是采购系统中的一种标准文档,它包含了采购物品的详细信息,例如数量、单价、总价、交货期限等。采购订单可以作为企业和供应商之间的合同依据。
5. 采购执行
采购系统可以帮助企业监控采购执行情况。企业可以跟踪采购物品的交付情况,以及供应商的履约情况。如果出现问题,采购系统可以及时提醒企业,并帮助企业采取相应的措施。
6. 结算和付款
当采购物品交付完成后,企业需要进行结算和付款。结算是指企业核对采购物品的数量和质量,以及供应商的发票。付款是指企业将应付款项支付给供应商。采购系统可以帮助企业自动化结算和付款流程,提高采购效率。
采购系统软件是帮助企业管理采购流程的重要工具。采购系统软件可以帮助企业自动化采购流程,提高采购效率和降低采购成本。目前市场上有很多采购系统软件,企业可以根据自身的需求和预算来选择合适的采购系统软件。
上文就是小编为大家整理的采购系统原来是这样子的?采购系统流程有哪些?
国内(北京、上海、广州、深圳、成都、重庆、杭州、西安、武汉、苏州、郑州、南京、天津、长沙、东莞、宁波、佛山、合肥、青岛)简道云平台分析、比较及推荐。

